欢迎访问循特商务网欢迎访问循特商务网欢迎访问循特商务网
当前位置:首页->风机测试系统->MGS皮托管测试系统
★拥有领先自主技术★
《MGS风机性能测试系统》
便携式《MGS风机性能测试系统》
《MGS鼓风机性能测试系统》
《MGS罗茨鼓风机测试系统》
《MGS阀门特性测试系统》
《MGS皮托管测试系统》
《MGS五孔探针流场测试系统》
《测功柜/辅助风机控制柜》
《服务项目》
风管试验台设计与制造
风室试验台设计与制造
《MGS皮托管测试系统》

  皮托管测试系统主要用于测量风机的流量和压力等参数.   

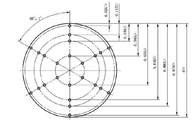
皮托管测试示意图

皮托管测试位置                                皮托管测试实时显示
 
 
皮托管测试结果(Excel报告)
各地区联系人
 华东/华中地区: 张工 136-69296450, QQ:643115233  华南/西南地区: 夏工 159-29306290, QQ:215329858
 华北/西北地区: 夏工 159-29306290, QQ:215329858 东北/华东地区: 武工 139-91115763, QQ:1339553779
 公司联系方式: 178-2938 1029, 029-8221 8256  公司微信: MGS风机测试技术
 网 址: www.fansoft.cn  Email: fansoft@fansoft.cn
 技术支持:西安交通大学张老师 136-69296450, QQ:643115233, 微信:z13669296450, zyiyun@xjtu.edu.cn
MGS风机测试技术 微信号张工 微信号夏工 微信号武工 微信号
MGS风机测试技术张工夏工武工
循特商务网 版权所有© 2003-2023

在线客户服务QQ: 643115233, 178-29381029, 029-82218256, 微信: XTLT39
沪ICP备1500